Ningbo Richge Technology Co., Ltd.
Ningbo Richge Technology Co., Ltd.
Products
Zn12-12 series integrated Columna Switch vacuum Circuit Breaker
  • Zn12-12 series integrated Columna Switch vacuum Circuit BreakerZn12-12 series integrated Columna Switch vacuum Circuit Breaker
  • Zn12-12 series integrated Columna Switch vacuum Circuit BreakerZn12-12 series integrated Columna Switch vacuum Circuit Breaker

Zn12-12 series integrated Columna Switch vacuum Circuit Breaker

Model:ZN12-12
Zn12-12 Series Umbraticis AC HV vacuum Circuit ruptor est umbraticis apparatu trium gradus AC 50Hz, rated voltage of 12kv, qui in technology a German Company. Est idoneam ad aream cum omnibus oneris et crebris operationem, et potest pro tutela et imperium of industriae et metalla, inceptum, potentia planta et substantia electrica facilities. Hoc productum est ad normam related exigentiam GB1984, JB3855, DL403 et IEC Signa.

Zn12-12 series integrated Columna Switch vacuum Circuit Breaker

  ZN12-12 indoor high-voltage vacuum circuit breaker rated voltage of 12KV and the following indoor high-voltage switchgear, mainly installed in fixed switchgear, for industrial and mining enterprises, power plants and substations for the protection and control of electrical facilities, and is suitable for breaking important loads and frequent operation of the place!

  ZN12 Series vacuum circuitu sunt umbraticis summus voltage switchgear fabrica cum rated voltages de 12kv, 24kv, et 40.5kv et tres-phase AC 50Hz. Est domesticis productum developed by introducendis German Siemens 3af technology.The operating mechanism de circuitu ruptor est a vere industria repono type, quae potest operari per AC vel DC, seu manually. In circuitu ruptor habet simplex structuram, fortis fractionis capacitatem, diu muneris vitae et completum operatio functions. Et non est periculum CREPITUS et sustentacionem est simplex. Est idoneam ad imperium vel praesidium switch de potentia tradenda et distribution systems ut potentia plantae, substationum et industriae et metalla conatibus, praesertim idoneam ad praevaricationem momenti onera et crebris operationem. Installation formam circuitus ruptor in switch cabinet potest esse aut certum genus aut recedens type Circuit Breaker.This Product Complies ad pertinet signa ut GB1984, JB3855 et Iec62271-100 ".


Commoda:

1.The Circuit Breaker Transierunt de Ministerio de Machinery et Ministerio electrica potentia in August 96th, quod est qualitas est absolute praestatur.

In circuitu Breaker mechanism est integrated cum switch et specialis vere industria repono type actuator mechanism potest operari per AC et DC industria repono vel manually operated.

With simple structure, strong breaking capacity, long service life, complete operation functions, no explosion danger and easy maintenance, this circuit breaker is suitable for control or protection switch of power transmission and distribution system such as power plant, city power grid, substation, etc. It is especially suitable for breaking important loads and places with frequent operation.


Features:

I. Et fractionis capacitatem ex arcus extinguere thalamum est altum, in vena portans facultatem humilis, et electrica vita longa.

II. Layout est a fronte ad tergum, simplex et pacto structuram, completum operationem et securus sustentationem.

III. In ordine ad compages installation, possunt dividi in horizontali fixum genus inclinavit certum genus, medium mobile typus.






Basic Info.



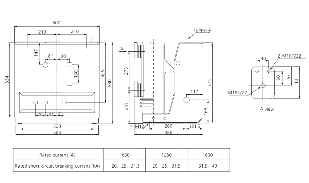
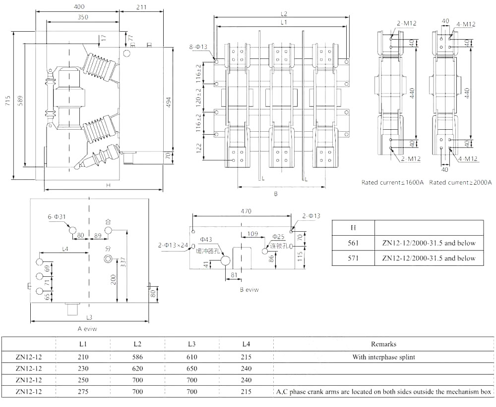
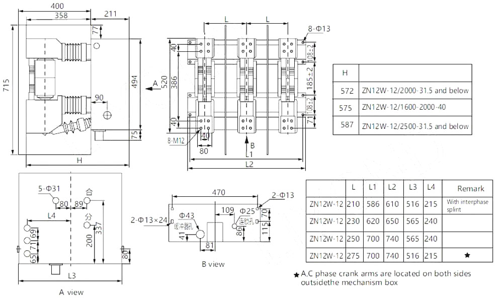
Technical parametri



Technical drawings


Usus Conditions of ZN12-12 Integrated Columna Switch vacuum Circuit Breaker1. Altitude: ≤1000 M; (Altitude prototypum potest pervenire infra (IV) metris)

II. Ambientium temperatus: + XL + XL ° C, Lowest -25 ° C;

III. Relativum Umor: Daily Mediocris non plus XCV%, menstrua mediocris non plus XC%;

IV. Terrae motus intensionem: Minus quam VIII;

V. Installation environment: Non ignem, CREPITUS aleam, non vapor non vim vibratio corrosiivum.

VI. Placere contactus in vacuo Circuit ruptor Manufacturer si usus environment excedit supra.




Faq

Q: Non habeo prices tua products?

A: Welcome. Placere sentire liberum mittere nos inquisitionis hic. Nos mos respondeo in XXIV horas.


Q: can ego adepto a sample ante mole ordinem?

A: Sic nos suscipiat sample ut test et reprehendo quality.mixed exempla sunt gratum.


Q: possumus procer nostrum logo / Company Nomen in products?

A: Sic, utique, si suscipere OEM, tunc postulo ut providere notam auctoritatem nobis


Q: Tu accipere Product Aliquam?

A: Ita, utique, placere providebit speciei drawings vel parametri, nos mos post te post iudicium


Q: Quid plumbum tempus?

A: plumbum tempore pendent quantitatibus iussit, plerumque in 7-20 dies post acceptam mercedem.


Q: Quid est Trade Termini?

A: Non accipere exw, FOB, CIF, FCA, etc.


Q: Quid est mercedem modum?  

A: Non accipere T / T, occidentis unionem, PayPal, irrevocable l / c ad visus, etc.


Q: Tu inspicere per complevit products?

A: Ita, quisque gradus productionem et complevit products et factum est ex inspectionem a QC Department ante shipping. Et nos providebit bona inspectionem tradit pro tua reference ante amet


Q: Quomodo solvere qualis problems post venditionesque?

A: Tollite photos of qualis problems et mitte ad nos in nostrum reprehendo et confirmandam, faciemus ad satisfactum solutionis pro vobis in III diebus.




Fabrica


Certificatorium




Hot Tags: Zn12-12 Series Integrated Columna Switch vacuum Circuit Breaker, Sina, Manufacturer, elit, Factory, humilis pretium, qualitas, tardus venditionis, provectus
Mitte Inquisitionem
Contactus info
Percontationes de humili voltage switchgear, alta intentione insulatorum, alta intentione terrestris transibit vel indicem pretiosum, electronicam tuam nobis relinque et intra 24 horas erimus.
X
We use cookies to offer you a better browsing experience, analyze site traffic and personalize content. By using this site, you agree to our use of cookies. Privacy Policy
Reject Accept